Поиск Град-НК Юргинский городской сайт Юрга – город скидок Юргинский форум

Вход на форум

 

Запомнить

Войти через социальные сети Авторизация


Часовой пояс: UTC + 6 часов




Начать новую тему Ответить на тему  [ Сообщений: 10 ] 
Автор Сообщение
 Заголовок сообщения: Куплю изделие!!!
СообщениеДобавлено: Чт 14 окт 2010, 22:57 
Не в сети

Зарегистрирован: Вс 23 ноя 2008, 14:56
Сообщения: 262
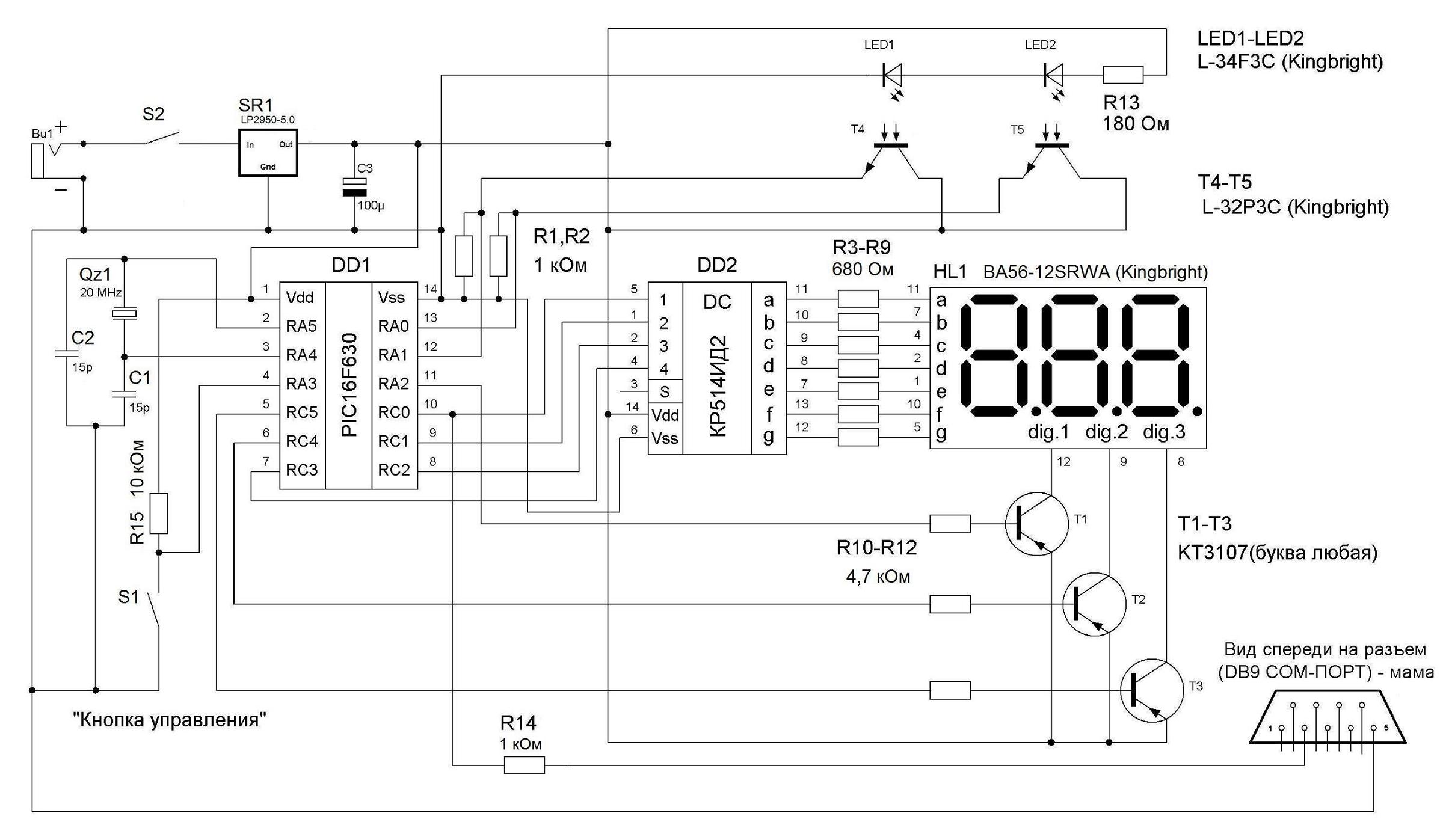
Нужен человек который сумеет спаять приспособления(схема на картинке)!!! Не за красивые :shock: !!!


Вложения:
schema_main1.JPG
schema_main1.JPG [ 263.47 Кб | Просмотров: 10215 ]

_________________
<<<<>>>>
Вернуться к началу
 Профиль  
 
 Заголовок сообщения: Re: Куплю изделие!!!
СообщениеДобавлено: Пт 15 окт 2010, 07:25 
Не в сети
Аватара пользователя

Зарегистрирован: Вт 19 янв 2010, 22:20
Сообщения: 4563
Откуда: НСО
Спаять-то не проблемма! :lol:
А кроме схемы, нужна ещё прошивка на МК, и программатор.
Да и сам микроконтроллер- в юрге не продаётся.
Непрошитый- в Кемерово, программатор- рубль.
Золотой девайс получится. :(

_________________
Съел бобра-спас дерево.


Вернуться к началу
 Профиль  
 
 Заголовок сообщения: Re: Куплю изделие!!!
СообщениеДобавлено: Пт 15 окт 2010, 19:09 
Не в сети

Зарегистрирован: Вс 23 ноя 2008, 14:56
Сообщения: 262
Прошивка есть. По всему остальному узнаю точно!!!

_________________
<<<<>>>>


Вернуться к началу
 Профиль  
 
 Заголовок сообщения: Re: Куплю изделие!!!
СообщениеДобавлено: Пт 22 окт 2010, 14:03 
Не в сети
Аватара пользователя

Зарегистрирован: Пт 11 июл 2008, 12:42
Сообщения: 176
Откуда: Местный
По сути запрограммировать можно через LPT порт пятью проводами, программ много, тот же Pony Prog, стоимость микроконтроллера 70 рублей. Вот только разработать печатную плату, это дело 30-40 минут, перенос плюс травление минут 30. Shadan скажи что будет, я б тебе и печатку нарисовал, а то оптопара не дает покоя , где она будет находиться?

_________________
Я не золотая монетка, чтобы всем нравиться


Вернуться к началу
 Профиль  
 
 Заголовок сообщения: Re: Куплю изделие!!!
СообщениеДобавлено: Пт 22 окт 2010, 15:51 
Не в сети
Аватара пользователя

Зарегистрирован: Пт 11 июл 2008, 12:42
Сообщения: 176
Откуда: Местный
Во, вот так! Давай детали и соберу! :lol:


Вложения:
1.jpg
1.jpg [ 69.05 Кб | Просмотров: 10115 ]

_________________
Я не золотая монетка, чтобы всем нравиться
Вернуться к началу
 Профиль  
 
 Заголовок сообщения: Re: Куплю изделие!!!
СообщениеДобавлено: Пт 22 окт 2010, 22:28 
Не в сети

Зарегистрирован: Вс 23 ноя 2008, 14:56
Сообщения: 262
Yurgen, напиши что надо и я это найду, вернее буду искать!!!

_________________
<<<<>>>>


Вернуться к началу
 Профиль  
 
 Заголовок сообщения: Re: Куплю изделие!!!
СообщениеДобавлено: Пн 25 окт 2010, 08:23 
Не в сети
Аватара пользователя

Зарегистрирован: Пт 11 июл 2008, 12:42
Сообщения: 176
Откуда: Местный
Индикатор и микроконтроллер, остальное есть, за микроконтроллером на другой конец кемерово тащиться не охота

_________________
Я не золотая монетка, чтобы всем нравиться


Вернуться к началу
 Профиль  
 
 Заголовок сообщения: Re: Куплю изделие!!!
СообщениеДобавлено: Пн 25 окт 2010, 08:27 
Не в сети
Аватара пользователя

Зарегистрирован: Пт 11 июл 2008, 12:42
Сообщения: 176
Откуда: Местный
Да, и скажи что это такое, вдруг плату переделывать придется

_________________
Я не золотая монетка, чтобы всем нравиться


Вернуться к началу
 Профиль  
 
 Заголовок сообщения: Re: Куплю изделие!!!
СообщениеДобавлено: Пн 25 окт 2010, 21:10 
Не в сети

Зарегистрирован: Вс 23 ноя 2008, 14:56
Сообщения: 262
Написал в личку!!!

_________________
<<<<>>>>


Вернуться к началу
 Профиль  
 
 Заголовок сообщения: Re: Куплю изделие!!!
СообщениеДобавлено: Пн 25 окт 2010, 21:14 
Не в сети
Аватара пользователя

Зарегистрирован: Вт 19 янв 2010, 22:20
Сообщения: 4563
Откуда: НСО
Это тайна- покрытая мраком! :vampire:

_________________
Съел бобра-спас дерево.


Вернуться к началу
 Профиль  
 
Показать сообщения за:  Поле сортировки  
Начать новую тему Ответить на тему  [ Сообщений: 10 ] 

Часовой пояс: UTC + 6 часов


Кто сейчас на конференции

Сейчас этот форум просматривают: нет зарегистрированных пользователей и гости: 7


Вы не можете начинать темы
Вы не можете отвечать на сообщения
Вы не можете редактировать свои сообщения
Вы не можете удалять свои сообщения
Вы не можете добавлять вложения

Найти:
Перейти:  
cron
Powered by phpBB © 2000, 2002, 2005, 2007 phpBB Group
[ Time : 0.306s | 13 Queries | GZIP : Off ]
Веб-студия «ЮГС», 2009 – 2015
652050, Россия, Кемеровская область, , г. Юрга, ул. Машиностроителей 53, офис «ЮГС»
Интернет-порталы,Реклама в интернете
+7 (38451) 4-99-09
http://www.yugs.ru
Реклама в Юрге | Обратная связь | Карта сайта
Rambler's Top100